レンズ設計、機械設計をソフトを纏めて、防振台、機械加工を製作して、お客様のご要望に沿った特注システム製品をご提案します。

P15.XYZ ピエゾ位置決めステージ 300 μm     貫通穴 60×60 mm

  • HOME »
  • P15.XYZ ピエゾ位置決めステージ 300 μm     貫通穴 60×60 mm

 ピエゾ位置決めステージP15は、高速かつ高精度な2Dおよび3D移動とナノ位置決めテーブルで、非常に高度な真直度を備えています。中央に66 x 66 mmの貫通穴があり、近接場スキャン、共焦点顕微鏡、マスク位置決めなどの透過光アプリケーションに適しています。


 

製品の特徴

  1. 3軸制御、ストローク300 μm/軸
  2. 摩擦のない高精度なフレキソ誘導システム
  3. オプションでクローズドループセンサーを用意できる
  4. 高い位置決め平坦度
  5. 貫通穴 66×66 mm
  6. 真空仕様あり

仕様

型番(S閉ループ/K開ループ)P15.XY100S-C1
P15.XY100K-C1
P15.XYZ100S-B1
P15.XYZ100K-B1
P15.XYZ100S-B2
P15.XYZ100K-B2
単位
動作方向X、YX、Y、ZX、Y、Z
駆動制御2軸3軸3軸
移動範囲(0〜120 V)80/ シャフト100/シャフトXY±50 Z100μm±10%
移動範囲(0~150 V)100/シャフト120/シャフトXY±60 Z120μm±10%
センサータイプSGS/-SGS/-SGS/-
スルーホールサイズ66 x 6660 x 6060 x 60mm
クローズド/オープンループ分解能3.5/13.5/13.5/1nm
閉ループ直線性0.15/-0.2/-0.2/-%F.S.
クローズドループの繰り返し位置決め精度0.1/-0.1/-0.1/-%F.S.
ピッチ/ヨー/ロール<303030μrad
プッシュ/プル60/10100/20XY150/20 Z100/20N
運動方向剛性0.60.81.6/1.6/0.8N/μm±20%
無負荷時共振周波数200300/350/400389/355/400Hz±20%
負荷による共振周波数45(@6 kg)Hz±20%
閉ループ/開ループ無負荷ステップ時間ms±20%
キャリングキャパシティ前方6/後方6/水平0.512kg
静電容量10.8/軸XY7.2/Z14.414.4μF±20%
素材スチール、アルミニウムスチール、アルミニウムスチール、アルミニウム
重量<1.1700750g±5%

仕様

型番(S閉ループ/K開ループ)P15.XYZ300S
P15.XYZ300K
P15.XYZ300S-C1
P15.XYZ300K-C1
P15.XYZ300S-C2
P15.XYZ300K-C2
単位
動作方向X、Y、ZX、Y、ZX、Y、Z
駆動制御3軸3軸3軸
移動範囲(0〜120 V)240/ シャフト±120/シャフト±120/シャフトμm±10%
移動範囲(0~150 V)300/シャフト±150/ シャフト±150/ シャフトμm±10%
センサータイプSGS/-SGS/-SGS/-
貫通穴サイズ66 x 6666 x 6666 x 66mm
クローズド/オープンループ分解能8/2.58/2.58/2.5nm
閉ループ直線性0.2/-0.2/-0.2/-%F.S.
クローズドループの繰り返し位置決め精度0.1/-0.1/-0.1/-%F.S.
ピッチ/ヨー/ロール<30<150<150μrad
プッシュ/プル50/10200/10200/10N
運動方向剛性0.111N/μm±20%
無負荷時共振周波数140/170/220190/145/249180/200/200Hz±20%
負荷による共振周波数145/110/145(@300 g)49/49/69(@5 kg)Hz±20%
閉ループ/開ループ無負荷ステップ時間60/10ms±20%
キャリングキャパシティ0.535kg
静電容量XY10.8/Z13.221.6/1軸あたり21.6/21.6/43μF±20%
素材アルミニウムスチール、アルミニウムスチール、アルミニウム
重量0.83g±5%

 

    ** 超低温仕様、超高真空仕様のカスタマイズが可能です。

    *** コネクタはカスタマイズが可能です。

    注1: 上記のパラメータは、試験環境および試験装置に関するものです。 移動テーブルの表面の平行度は約20 μm、粗さは約1.6~3.2、特別な要件は購入前にセールスエンジニアに確認してください。 .

  注2: 上記のパラメータはE00/E01シリーズ圧電コントローラを使用して測定したもので、駆動電圧は-20 V~150 Vの範囲で使用できます。高い信頼性と長期的な使用のために、駆動電圧は0~120 Vの範囲にすることをお勧めします。


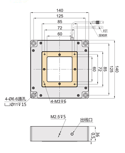
 P15.XY100S/K-C1 模式図


 

 

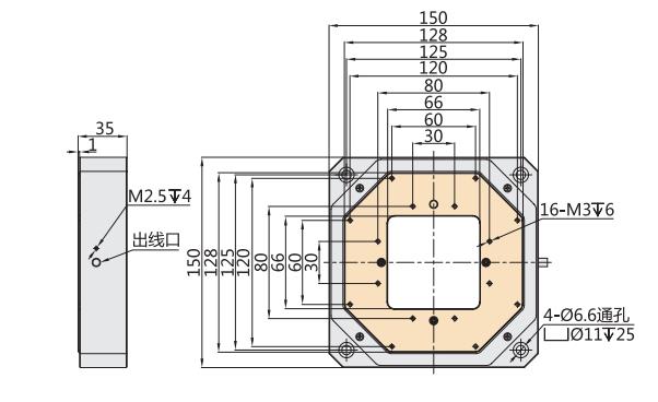
P15.XYZ100 模式図

 


 

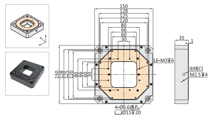
P15.XYZ300 模式図


 

 

 

 

 

 

 

 

 

 P15.XYZ300S/K-C1 模式図


 

 

 

 

 

P15.XYZ300S/K-C2 模式図


 

 

 

 

 

 

 

 

 

 

お陰様で今年で創立23周年迎える事が出来ました TEL 03-3488-5734 受付時間 9:00 - 18:00 [ 土・日・祝日除く ]
Eメール sales@wired.as-testwork.work

Copyright © ワイヤード株式会社 All Rights Reserved.
Powered by WordPress & BizVektor Theme by Vektor,Inc. technology.