
ピエゾナノ位置決めテーブルP13Aシリーズは、低温ピエゾ駆動と軽量筐体を採用し、超低温・強磁性環境向けに開発・設計されています。すべてのコンポーネントは、低温・強磁性での性能を保証するために、低温・強磁性対応版が用意されています。
仕様
| 型番 | P13A.XYZ80K | 単位 | |
|
動作温度 |
室温 |
4K |
|
|
動作の方向性 |
X、Y、Z |
X、Y、Z |
|
| 移動範囲 |
80 (0~60V) |
25 (0~150V) |
μm±20% |
|
オープンループ分解能 |
1 |
0.3 |
nm |
|
無負荷時共振周波数 |
350 |
350 |
Hz±20% |
|
負荷150g高調波周波数 |
– |
– |
Hz±20% |
|
静電容量 |
XY5.5、Z11 |
XY0.75、Z1.5 |
μF±20% |
|
主材料 |
ステンレススチール |
チタン |
|
|
ワイヤー・ケーブル |
周囲温度ライン |
フォスファーブロンズツイストペア |
|
|
作業環境 |
-20~80 |
低温4K強磁場30T、超高真空2E-11mbar |
|
|
キャリング |
100 |
100 |
g |
|
重量 |
– |
– |
g±5% |
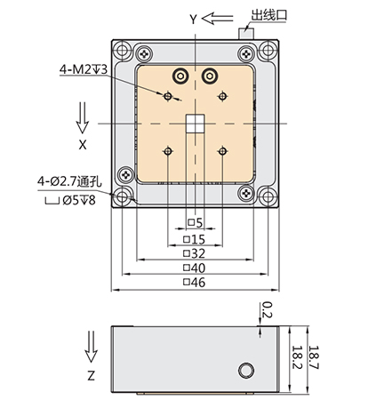
模式図





